宿将旧卒是什么生肖(分布式光伏电网接入方案·13套典型设计)

分布式项目的接入方案由电网公司免费提供。为此,国家电网完成了分布式项目的典型方案设计。
一、设计范围及内容
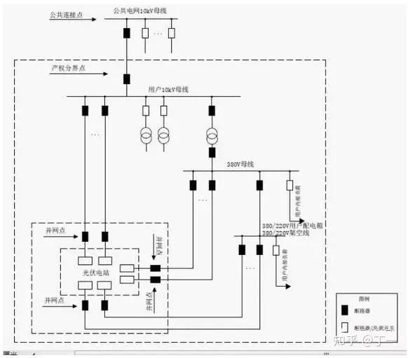
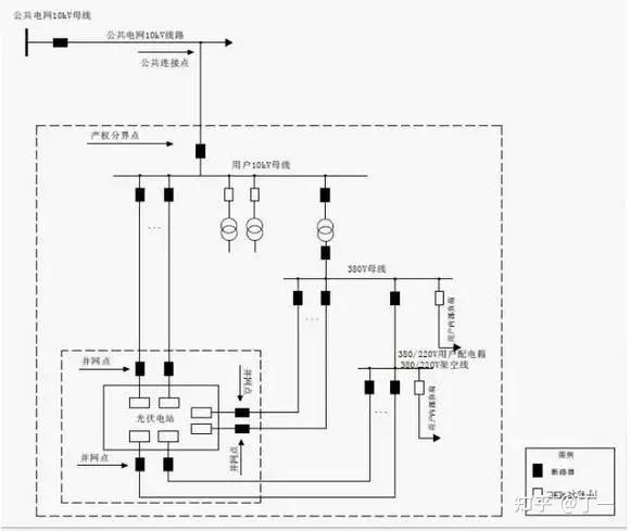
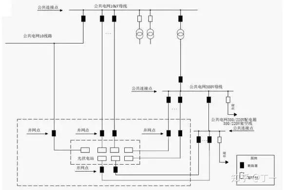
《分布式光伏发电接入系统典型设计》(以下简称《典型设计》)设计范围为:10kV及以下电压等级接入电网,且单个并网点总装机容量小于6兆瓦。
《典型设计》根据接入电压等级、运营模式和接入点不同,共划分8个单点接入系统方案,5个多点接入系统方案。每个典型设计方案内容包括接入系统一次、系统继电保护及安全自动装置、系统调度自动化、系统通信、计量与结算的相关方案设计。
二、设计思路
1、单点接入方案划分按照接入电压等级,分为接入10kV、380/220V两类。按照接入位置,分为接入变电站/配电室/箱变、开闭站/配电箱、环网柜和线路四类。
按照接入方式,分为专线接入和T接两类。
按照接入产权,分为接入用户电网和接入公共电网两类。
2、多点接入方案组合考虑单个项目多点接入用户电网,或多个项目汇集接入公共电网情况,设计多点接入组合方案。
按照接入电压等级,分为多点接入380V组合方案、多点接入10kV组合方案、多点接入10kV/380V组合方案三类。
按照接入产权,分为接入单一用户组合方案、接入公共电网组合方案两类。
3、计量点设置对于接入用户电网,计量点设置分为两类,一是装设双向关口计量电能表,用户上、下网电量分别计量;另一类装设发电量计量电能表,用于发电量和电价补贴计量。
对于接入公共电网,计量点设置在产权分界点处,装设发电量计量电能表,用于电量计量和电价补偿。
4、防孤岛检测和保护分布式光伏发电系统逆变器必须具备快速主动检测孤岛,检测到孤岛后立即断开与电网连接的功能。
接入10kV的分布式光伏发电项目,形成双重检测和保护策略。380V电压等级由逆变器实现防孤岛检测和保护功能,但在并网点应安装易操作,具有明显开断指示的开断设备。
5、通信方式根据配电网区域发展差异,按照降低接入系统投资和满足配网智能化发展的要求考虑通信方式。
优先利用现有配网自动化系统和营销集抄系统通信。
6、发电系统信息采集接入10kV的项目,采集电源并网状态、电流、电压、有功、无功、发电量等电气运行工况。
接入380V的项目,暂只采集电能信息,预留并网点断路器工位等信息采集的能力。
三、设计方案
1单点接入方案

方案1编号:XGF10-T-1

方案2编号:XGF10-T-2

方案3编号:XGF10-T-1

方案4编号:XGF10-Z-1

子方案1:专线接入公共电网

子方案2:T接接入公共电网
方案5编号:XGF380-T-1

方案6编号:XGF380-T-2

方案7编号:XGF380-Z-1

子方案1:接入380用户

子方案2:接入10kV用户
方案8编号:XGF380-Z-2

2多点组合方案

组合方案1编号:XGF380-Z-Z1

子方案1:接入380V用户

子方案2:接入10kV用户
组合方案2编号:XGF10-Z-Z1

子方案1:专线接入公共电网

子方案2:T接接入公共电网
组合方案3编号:XGF380/10-Z-Z1


组合方案4编号:XGF380-T-Z1

组合方案5编号:XGF380/10-T-Z1

出自《分布式电源接入系统典型设计》



