甘拜下风打一动物(任意进制计数器 || 反馈复位法 反馈置数法 || 超级重点 || 数电)
任意进制计数器 || 反馈复位法 反馈置数法 || 超级重点 || 数电
前面介绍了4位二进制计数器和十进制计数器,但它们的计数长度、计数方式是固定的。
例如:
十进制计数器74160,其计数的模为10,计数方式为加1计数,从0000开始,每个时钟脉冲加1,直到1001,即十进制数9,然后再回到0000。4位二进制计数器74161或者74163,其计数的模为16,计数方式为加1计数,从状态0000开始,每个时钟脉冲加1,直到1111,即十进制数15,然后再回到0000。但在数字电路应用中,需要用到计数长度任意,计数方式非顺序递增或递减的计数器,我们把这种计数器叫做任意进制计数器。
本文将介绍如何利用已有的集成计数器,通过外电路的不同连接,设计任意进制计数器。
任意进制计数器的设计方法有两类:
反馈复位法(清零法)反馈置数法1反馈复位法
1.1异步清零 反馈复位 74160
以例子来介绍,
用带有异步清零端的十进制计数器74160构成模6加法计数器,设计思路是:
假设计数器74160从初始状态Q3Q2Q1Q0=0000开始计数,
接收到第1个时钟脉冲后状态变为0001,
接收到第2个时钟脉冲后状态变为0010,
接收到第3个时钟脉冲后状态变为0011,
接收到第4个时钟脉冲后状态变为0100,
接收到第5个时钟脉冲后状态变为0101,
接收到第6个时钟脉冲后状态变为0110,如果此时利用状态0110,通过组合电路产生异步清零信号,并反馈到74160的清零端,于是计数器尽在状态0110短暂停留后就立刻复位到0000状态,这样,就跳跃了计数器74160的4个状态,而获得了6进制计数器。

根据前面的设计思路,我们只需要附加1个与非门,与非门的输入为计数器状态Q2和Q1,与非门的输出连到计数器的异步清零端,如下图(a)所示。但是清零时Q3Q2Q1Q0不一定会同时变为0000,可能会产生中间状态,使得清零不可靠,所以可以使用一个RS锁存器来改进清零电路。如下下图所示。


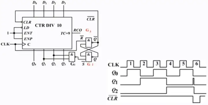
1.2 同步清零 反馈复位 74163
这里的反馈状态是0101(5)而不是之前的0110(6)。注意体会同步清零和异步清零的区别。

对于上图,设计数器的初始状态为Q3Q2Q1Q0=0000,
第1个时钟脉冲到来后,状态变为0001,(CLR非)为高电平,
第2个时钟脉冲到来后,状态变为0010,(CLR非)为高电平,
第3个时钟脉冲到来后,状态变为0011,(CLR非)为高电平,
第4个时钟脉冲到来后,状态变为0100,(CLR非)为高电平,
第5个时钟脉冲到来后,状态变为0101,导致(CLR非)变为低电平,但清零并不马上发生,
因为74163是同步清零,要等到第6个时钟脉冲到来后,清零才生效,使计数器状态变为0000,然后(CLR非)回到高电平。
我们可以发现这种采用同步清零的反馈法,不会出现短暂的过渡状态。
2反馈置数法
反馈置数法是利用计数器的同步置数控制端的数据输入端,把计数器状态置到某个数值来实现任意进制计数器。
置入的数值可以是0000到1111之间的任意数值。
当置入0000时,和复位或者清零的作用是相同的,因此这种方法比第一种反馈复位法灵活性要大。
如下图,现在我们还是用一个例子来介绍这种方法。
用带有同步置数控制端的74163构建8421BCD码计数器。
设计思路是:
假定计数器初始状态为Q3Q2Q1Q0=0000,
一开始让计数器正常计数,计到1001后,通过置数使计数器在下一个状态进入0000,跳过1010~1111这个状态。

如下图,再看一个例子,很好理解了吧。

再看一个。

下面解答使用的方法是两次置数。

3采用多片集成计数器设计任意进制计数器
步骤:
根据待设计任意进制计数器的模,确定集成计数器所需要的数量,并进行级联。用前面学习的反馈复位法或者反馈置数法完成任意进制计数器设计。下面看一个例子,试用74163构成模24同步计数器。


下面再看一个例子,使用74160构成模24同步计数器。


丢题目,

视频:MOOC-数字逻辑电路-第9单元 时序逻辑功能-任意进制计数器